ООО «ПТЭ-87»
промышленная теплоэнергетика -
поставка оборудования

+7 (4872) 25-13-92, +7 (910) 157-94-95
300012, г. Тула, улица Рязанская, д. 38, офис 406
ПТЭ-87 - Главная » Компенсаторы линзовые

Компенсаторы линзовые: Круглые ПГВУ/ОСТ, Прямоугольные ПГВУ, Угловые ОСТ

Линзовые компенсаторы предназначены для компенсации температурных удлинений круглых и прямоугольных газовоздуховодов (ПГВУ) и круглых трубопроводов вода-пар (ОСТ) тепловых электростанций и других предприятий-потребителей. Работают в условиях неагрессивных и малоагрессивных сред, включая трубопроводы, на которые распространяются "Правила пара и горячей воды".

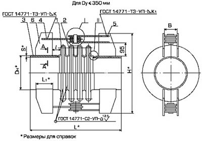
Компенсатор 4-линзовый круглый         

Линзовый компенсатор круглого и прямоугольного сечений изготавливаются из различных типов стали. Основное применение в нефтеперерабатывающей, химической и газовой отраслях промышленности, компенсация температурного удлинения корпусов теплообменного и газотурбинного оборудования, пыле- газо- воздуховодов и систем вентиляции.

Способ крепления линзового компенсатора может быть сварным для жесткой фиксации компенсатора к трубопроводу круглого или иного сечения путем сваривания конца трубопровода с концевыми деталями компенсатора, имеющими одинаковое сечение и толщину стенки, либо приварки самой линзы имеющей меньшую толщину к элементам трубопроводной арматуры. Такой вид крепления обеспечивает надежное герметичное соединение компенсатора. Кроме того применяется фланцевое крепление компенсатора для жесткой фиксации к ответному фланцу трубопровода. Такое крепление позволяет обеспечить разъемное соединение элементов трубопровода и быструю их замену, но требует контроля межфланцевого уплотнения. 

Применяемые материалы:
В зависимости от климатических районов строительства трубопроводов и их эксплуатации, линзовые компенсаторы изготавливаются из сталей Ст3сп5, Ст20, 09Г2С, 12Х18Н10Т, 08Х18Н10Т, 10Х17Н13М2Т, 12 Х18Н10Т, 08Х18Н9, 10Х17Н13 М2Т, 20Х20Н14 С2, 09Г2С, 17ГС, Стали 3, 10, 20, 18К.

Линзовые компенсаторы, изготовленные по ОСТам предназначены для компенсации температурных изменений длины трубопроводов только в осевом направлении, работающих в условиях неагрессивных и малоагрессивных сред с условным давлением Ру до 1,6МПа (16 кгс/см2) и температурой до 300ºС и для Ду≤400мм температурой до 425ºС. ОСТы распространяются на линзовые осевые компенсаторы Ду от 100 до 2200 мм.

Дополнительно линзовые компенсаторы комплектуются внутренним защитным кожухом (стакан или гильза) для защиты линз или гофр от механических примесей, поступающих вместе с рабочей средой через компенсатор, дренажными трубками для слива конденсата, образующегося во впадинах линз, а также стяжным устройством (стяжками). 

Область применения линзовых компенсаторов:

  • нефтяная и газовая промышленности
  • химическая, нефтехимическая и нефтеперерабатывающая промышленности
  • коммунальное хозяйство
  • энергетический комплекс
  • металлургия
  • строительство
  • судостроение
  • военно-промышленный и авиа-космический комплексы

 

Линзовые компенсаторы круглого сечения ПГВУ 242÷245-93, ОСТ 34-42-569÷572-93

Однослойные, изготавливается из линз и полулинз сваренных в вершинах и впадинах волны. Обладая большей жесткостью для сдвигового и углового перемещений, как результат применения однослойных материалов с толщинами от 3 до 10 мм, данный вид компенсаторов находит большое применение для компенсации в осевом направлении в системах с большими рабочими давлениями и температурами. Основное применение линзовых компенсаторов в нефтеперерабатывающей, химической и газовой отраслях промышленности для компенсация температурного удлинения корпусов теплообменного и газотурбинного оборудования. Возможность изменять геометрию линзы, позволяет разрабатывать и изготовлять линзовые компенсаторы с внутренним диаметром до 5000 мм с применением особых сталей и сплавов для достижения требуемых эксплуатационных показателей. В зависимости от требований по компенсации, линзовые компенсаторы могут состоять из одной, двух, трех и более линз.

 

Компенсаторы круглые осевые линзовые ПГВУ 242÷245-93

Компенсаторы круглые осевые 1-линзовые ПГВУ

Компенсаторы круглые осевые линзовые изготовленные по ПГВУ имеют следующие параметры:

  • Диаметры (Ду) от 200 до 6000 мм
  • Давление (Ру) до 0,02 МПа

Компенсирующая способность для 1-но линзового до 18 мм, 2-х линзового до 36 мм, 3-х линзового до 54, 4-х линзового до 72 мм при работе линзы только на сжатие без предварительной холодной растяжки, при 1000 циклах нагружения компенсатора. Если компенсатор при монтаже будет растянут на ту же величину, то общая компенсирующая способность удвоится.

Компенсаторы круглые линзовые осевые изготавливаются согласно ПГВУ: ПГВУ 242-93 (однолинзовые), ПГВУ 243-93 (двухлинзовые), ПГВУ 244-93 (трехлинзовые), ПГВУ 245-93 (четырехлинзовые).

 

Компенсаторы круглые осевые линзовые ОСТ 34-42-569÷572-93

Компенсаторы круглые осевые 3-линзовые ОСТ

Компенсаторы круглые осевые линзовые изготовленные по ОСТ имеют следующие параметры:

  • Диаметры (Ду): от 200 до 1400 мм
  • Давление (Ру): до 1,6 МПа

Компенсирующая способность для 1-но линзового до 18 мм, 2-х линзового до 36 мм, 3-х линзового до 54, 4-х линзового до 72 мм при работе линзы только на сжатие без предварительной холодной растяжки, при 1000 циклах нагружения компенсатора. Если компенсатор при монтаже будет растянут на ту же величину, то общая компенсирующая способность удвоится.

Компенсаторы линзовые осевые изготавливаются согласно ОСТам: ОСТ 34-10-569-93 (однолинзовые), ОСТ 34-10-570-93 (двухлинзовые), ОСТ 34-10-571-93 (трехлинзовые), ОСТ 34-10-572-93 (четырехлинзовые).


 

Линзовые компенсаторы прямоугольного сечения ПГВУ 246÷249-93

Компенсаторы прямоугольные осевые 2-линзовые ПГВУ

Прямоугольные линзовые компенсаторы применяются для компенсации всех видов перемещений (осевых, сдвиговых, угловых) в паро-, газо-, воздухопроводах прямоугольного сечения. Возможны разработки компенсаторов для больших температурных диапазонов с применением современных футеровочных материалов, внутренних направляющих экранов и внешних защитных кожухов. Линзы компенсатора изготавливаются в виде V- или U- образной волны. Размеры проходных сечений и присоединительные размеры по требованию заказчика. 

Компенсаторы прямоугольные осевые линзовые изготовленные по ПГВУ имеют следующие параметры:

  • Диаметры (Ду) от 300х400 до 7850х8000 мм
  • Давление (Ру) до 0,015 МПа

Компенсирующая способность для 1-но линзового до 10 мм, 2-х линзового до 20 мм, 3-х линзового до 30, 4-х линзового до 40 мм при работе линзы только на сжатие без предварительной холодной растяжки, при 1000 циклах нагружения компенсатора. Если компенсатор при монтаже будет растянут на ту же величину, то общая компенсирующая способность удвоится.

Компенсаторы прямоугольные линзовые осевые изготавливаются согласно ПГВУ: ПГВУ 246-93 (однолинзовые), ПГВУ 247-93 (двухлинзовые), ПГВУ 248-93 (трехлинзовые), ПГВУ 249-93 (четырехлинзовые).


 

Компенсаторы линзовые угловые ОСТ 34-10-573÷576-93

Компенсаторы 4-линзовые угловые ОСТ

Компенсаторы линзовые угловые предназначены для компенсации температурных изменений длины трубопровода в П-образной, Г-образной, Z-образной и других шарнирных схемах компенсации, работают в условиях неагрессивных и малоагрессивных сред, с условным давлением Ру до1,6 МПа (16 кгс/см2).

Компенсаторы линзовые угловые изготавливаются согласно ОСТам: ОСТ 34-10-573-93 (однолинзовые), ОСТ 34-10-574-93 (двухлинзовые), ОСТ 34-10-575-93 (трехлинзовые), ОСТ 34-10-576-93 (четырехлинзовые).


Монтаж и эксплуатация компенсаторов

 
1. Компенсаторы  должны устанавливаться и вводится в эксплуатацию подготовленным, опытным персоналом в соответствии с настоящей инструкцией, конструкторской и нормативно-технической документацией на монтаж трубопроводов разработанной проектной организацией.
2. На период транспортирования к месту монтажа и в период монтажа должны быть приняты меры исключающие повреждения компенсаторов.
Хранение компенсаторов на открытых площадках без защитных кожухов или футляров запрещается.
3. При монтаже компенсаторов  должны соблюдаться нормы и требования безопасности  действующие, действующие на объектах применения.
4. Перед монтажом необходимо полностью удалить упаковку и провести осмотр компенсаторов  на предмет выявления возможных повреждений в следствии транспортировки и хранения.
5. В период монтажа и эксплуатации не допускается нагружение компенсаторов моментом или силами от массы присоединяемых конструкций.
6. При выполнение сварочных работ компенсаторы должны быть защищены от попадания частиц раскаленного металла. Не допускается прохождение электрического тока через сильфонные компенсаторы в процессе сварки трубопровода.
7. Каждый компенсируемый участок трубопровода должен быть ограничен неподвижными опорами. Неподвижные опоры необходимо выбирать исходя из максимально действующих сил и моментов. Расстояние между скользящими опорами и компенсатором должно быть равно (1,5-2) диаметра условного прохода DN. Рассчитывать и подбирать опоры необходимо соответствующих размеров для предотвращения зажимов.
8. При сборке компенсаторов с конструкциями, допускаемые величины монтажного сдвига и непараллельности соединения не должны превышать значений установленных нормативно-технической документацией для трубопроводов объекта применения. Сжатие (растяжение) изделий не должно превышать 5 мм для DN до 500 мм. и 10 мм. для DN более 500 мм., если другие требования не предусмотрены монтажными чертежами. Натяжные и другие монтажные устройства в состав поставки не входят.
9. Транспортные стяжки, болты, шпильки должны быть удалены после завершения установки компенсаторов.
10.  При выполнение изоляционных работ необходимо обеспечить возможность перемещения патрубков компенсаторов на максимальную величину осевого хода.
11. При наземной, канальной, без канальной прокладке трубопровода, компенсаторы должны быть установлены в защитные кожуха.
12. Испытание давлением и проверку на герметичность следует проводить после установки опор трубопровода. При эксплуатации необходимо избегать скачков давления в системе и превышения эксплуатационных параметров.