ООО «ПТЭ-87»
промышленная теплоэнергетика -
поставка оборудования

+7 (4872) 25-13-92, +7 (910) 157-94-95
300012, г. Тула, улица Рязанская, д. 38, офис 406
ПТЭ-87 - Главная » Тройники

Тройники сварные, Тройники штампованные

Компания поставляет следующие типы тройников: тройники сварные равнопроходные ОСТ 36-10-762-97, тройники сварные с накладками ОСТ 34-10-763-97, тройники сварные переходные ОСТ 34-10-764-97, тройники штампованные бесшовные ГОСТ 17376-2001.

 

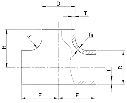
Тройники сварные равнопроходные ОСТ 36-10-762-97

Тройники сварные равнопроходные ОСТ 36-10-762-97

Технические характеристики:

  • Условное давление Ру: до 4,0 МПа
  • Наружный диаметр D: 325-1620 мм
  • Температура, t: до +425°С
  • Материал: Ст3сп, 20, 09Г2С
  • Настоящий стандарт распространяется на сварные равнопроходные тройники из углеродистой и низколегированной сталей для трубопроводов тепловых электростанций.
  • Стандарт соответствует требованиям ''Правил устройства и безопасной эксплуатации трубопроводов пара и горячей воды'' РД 03-94, утвержденным Госгортехнадзором РФ.

Область применения: предназначены для применения на трубопроводах, на которые распространяются РД 03-94. Допускается применение сварных равнопроходных тройников по настоящему стандарту для изготовления трубопроводов по СНиП 3.05.05-84.

Материалы изготовления:

• трубы бесшовные на Рраб.<2,2 МПа и Траб. <=425°С по ГОСТ 8733 , 8731 гр.В (сталь марки 10Г2 по ГОСТ 4543) по ТУ 14-3-190-82 (сталь марки 10, 20 по ГОСТ 1050)
• трубы бесшовные на Рраб.<2,2 МПа и Траб.< минус 30°С по ТУ 14-3-1128-82 (сталь марки 09Г2С по ГОСТ 19281)
• трубы электросварные на Рраб. <=2,5 МПа и Траб.<=350°С по ГОСТ 20295 тип3 (сталь марки 17ГС, 17Г1С по ГОСТ 19281) по ТУ 14-3-1698-90 (сталь марки 17Г1С-у по ТУ 14-3-1698-90)
• листовая сталь на Рраб. <=1,6 МПа и Траб. от минус 20°С до плюс 200°С, марки Ст3Гпс4, Ст3сп5 категории 2-5 по ГОСТ 380, на Траб от минус 20°С до плюс 300°С, марки 20 по ГОСТ 1050

• листовая сталь на Рраб. <=2,5 МПа и Траб. от минус 20°С до плюс 350°С, марки 20К по ГОСТ 5520, на Траб от минус 40°С до плюс 350°С, марки 17ГС, 17Г1С по ГОСТ 19281, на Траб от минус 40°С до плюс 425°С, марки 16ГС по ГОСТ 19281, на Траб от минус 60°С до плюс 425°С, марки 09Г2С, 10Г2С1 по ГОСТ 19281.


 

Тройники сварные с накладками ОСТ 34-10-763-97

Тройники сварные с накладками ОСТ 34-10-763-97

Настоящий стандарт распространяется на сварные равнопроходные тройники с накладками из углеродистой и низколегированной сталей для трубопроводов тепловых электростанций. Стандарт соответствует требованиям "Правил устройства и безопасной эксплуатации трубопроводов пара и горячей воды" РД 03-94, утвержденные Госгортехнадзором РФ. 

Область применения: предназначены для применения на трубопроводах, на которые распространяются РД 03-94. Допускается применение сварных равнопроходных тройников с накладкой по настоящему стандарту для изготовления трубопроводов по СНиП3.05.05-84, утвержденным Госстроем СССР.

 

 


 

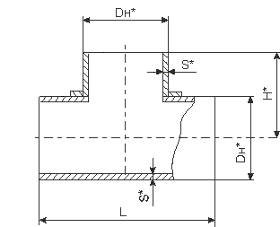
Тройники сварные переходные ОСТ 34-10-764-97

Тройники сварные переходные ОСТ 34-10-764-97

Технические характеристики:

  • Условное давление Ру: до 4,0 МПа
  • Наружный диаметр D: 325-1620 мм
  • Температура, t: до +425°C
  • Материал: Ст3сп, 20, 09Г2С

Настоящий стандарт распространяется на сварные переходные тройники из углеродистой и низколегированной сталей для трубопроводов тепловых электростанций. Стандарт соответствует требованиям ''Правил устройства и безопасной эксплуатации трубопроводов пара и горячей воды'' РД 03-94, утвержденным Госгортехнадзором РФ. 

Область применения: предназначены для применения на трубопроводах, на которые распространяются РД 03-94. Допускается применение сварных равнопроходных тройников по настоящему стандарту для изготовления трубопроводов по СНиП 3.05.05-84. 

Пример условного обозначения сварного переходного тройника диаметром 630 мм и толщиной стенки корпуса 12 мм с диаметром штуцера 426 мм со стенкой 9 мм на условное давление Ру = 2,5 МПа:
Тройник ТС 630х12-426х9-2,5 ОСТ 34-10-762-97.

 

Тройники штампованные бесшовные ГОСТ 17376-2001

Тройники штампованные бесшовные ГОСТ 17376-2001

Тройники штампованные бесшовные равнопроходные тройники из углеродистой и низколегированной стали. 

Область применения: трубопроводы различного назначения, включая подконтрольные органам надзора, при РМ(Ру) до 16 МПа и температуре от минус 70 до плюс 450°С в соответствии с проектной и (или) конструкторской документацией. 

Заготовка: труба по ГОСТ 8731 -74 (группа В), ГОСТ 8733-74 (группа В), ГОСТ 550-75, ТУ 14-3-1652-89, ТУ 14-3-1745-90, ТУ 14-3-190-82, ТУ 14-3-460-75, ТУ 14-3-4520-75, ТУ 14-3-1128-2000. Материал - Сталь марки 10, 20 по ГОСТ 1050-88, 10Г2 по ГОСТ 4543-71, 20ЮЧ по ТУ 14-3-420-75, 09Г2С по ГОСТ 19281-89.

Технические требования по ГОСТ 17380. 

Пример условного обозначения тройника равнопроходного исполнения 2, D =76 мм, Т = 7,0 мм из стали марки 20:
Тройник 76 х 7 ГОСТ 17376-2001 
то же из стали 09Г2С, для трубопроводов подконтрольных органам Госгортехнадзора России:
Тройник П 76 х 7 -09Г2С ГОСТ 17376-2001.